개발 제목
열처리용 온도제어기기 개발 / 등록특허번호 : 10-1467541
개발 내용
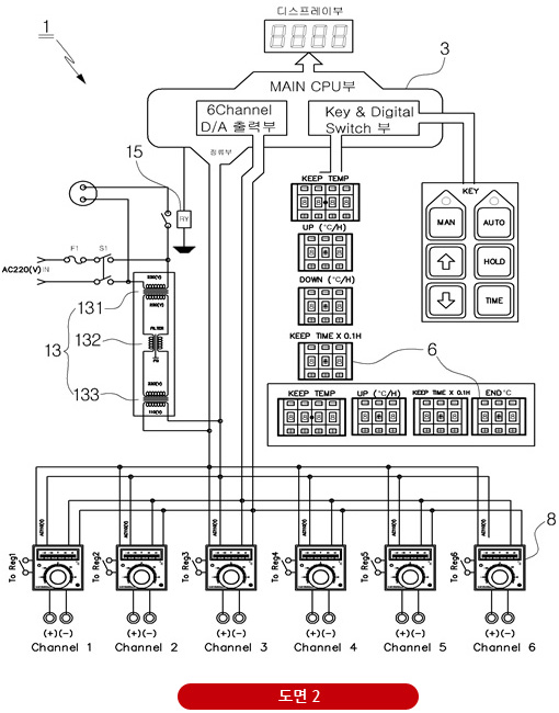
산업현장에서 열처리용으로 사용되는 기존의 온도제어기기를 다음과 같이 개발하여 그 문제점을 해소하였다. 즉 온도조절기로 공급되는 입력전류를 복권변압기(131)와 잡음필터(132) 및 다운변압기(133)로 순차적으로 흐르게 하여 전원의 잡음을 여과시키고, power regulator(20) 전원 차단시 temperature recorder(30)와 전기적으로 연결된 relay switch(15)를 작동시켜 temperature recorder 전원도 동시에 차단되며, 기기 전면에 내연성 강화유리로 보호커버를 설치하고, temp & time setting switch를 5step mode(7)로 조절되도록 하였다.
개발 효과
- 잡음여과회로를 부가하여 전원을 안정화함으로써 differential control(8) 등의 오작동이 감소된다.
- Temperature recorder의 전원과 power regulator의 전원을 동시에 차단함으로 기록지의 낭비가 없다.
- 온도제어기기의 본체 전면에 투명재질의 보호 커버를 설치하여 장비 이동 또는 설치시 기기를 안전하게 보호할 수 있다.
- Temp & time setting switch를 5step mode로 조절함으로써 재질에 따라 다양한 온도 범위로 열처리과정이 수행되어 열처리 효율이 극대화 된다.
도면 View



개발 제목
전기 안전성이 개선을 위한 열처리기기 / 등록실용신안 등록번호 : 20-0474911
개발 내용
열처리기기에서 발생하는 누전의 위험성과 감전에 의한 안전사고 예방을 위하여 입력connector와 출력connector의 구조를 다음과 같이 개선하였다. 즉 입력connector 콘센트부(11)는 결합공(11a) 안에 핀단자(14)를 설치하고 그리고 플럭부(13)는 소켓단자(16)를 내장 설치하여 결합시 결합공(11a)에 끼워지는 구조로 한다. 출력connector 콘센트부(21)는 소켓단자(24)를 내장하며, 플럭부(23)는 핀단자(27)를 설치하여 결합시 상기 핀단자가 소켓단자(24)에 끼워지는 구조로 한다. 콘센트부와 플럭부는 모두 절연재로 만든다.
개발 효과
- 입력connector 플럭부에 설치된 소켓단자(16) 전방과 출력connector 콘센트부에 설치된 소켓단자(24) 전방에 각각 누전방지공간(18)(25)을 형성하여 누전 위험을 제거한다.
- 입력connector 콘센트부의 결합공(11a)에 끼워지는 커버(15)와 출력 connector 콘센트부의 누전방지공간(25)에 끼워지는 커버(26)의 구비로, 전기안전성이 더욱 확보되고 아울러 이물질 유입도 방지된다.
- 외관상 입력connector와 출력connector의 구분이 확실하므로 결선이 용이하다.
도면 View

